Segue relação de alguns trabalhos realizados nos nossos clientes. Clique na imagem para ampliar.
|
Sistema de Água Purificada (PW) |
Sistema de WFI |
Automação de Autoclave |
Produção em Batelada |
|
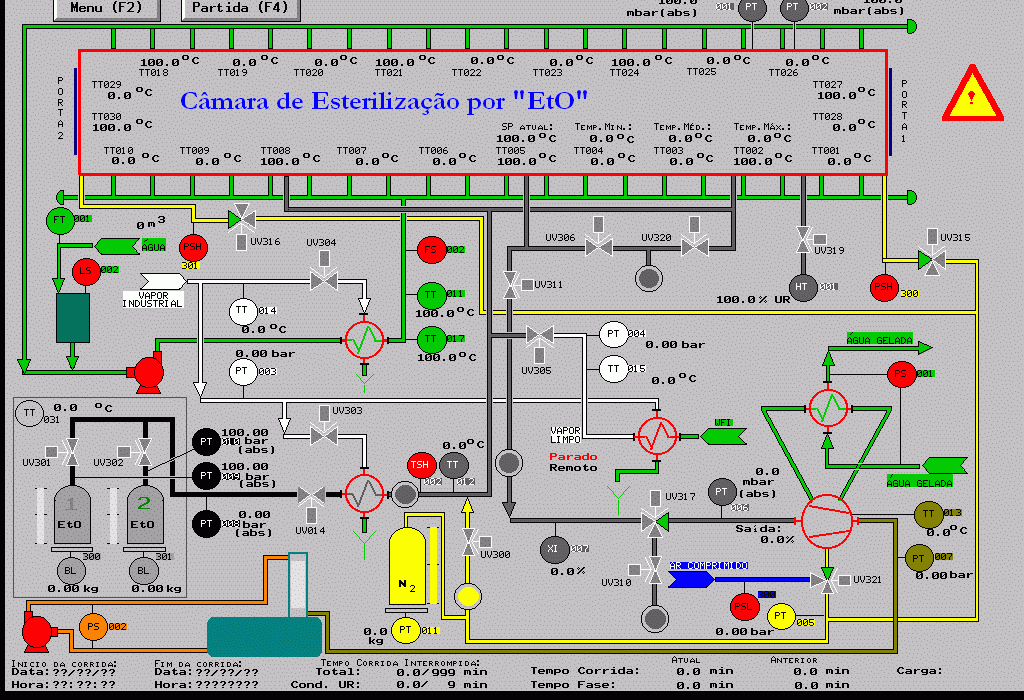
Câmara de Esterilização por EtO |
Torres de Evaporação |
Forno de Têmpera e Normalização |
Sistema de HVAC |
|
Sistema de Osmose Reversa |
Sistema de Secagem |
Sistema de Água Purificada (PW) |
Sistema de WFI |
|
Sistema de CIP |
Lavadora de Peças Automotivas |
Contador de Soldas Automotivas |
Resfriamento de Ponto de Uso |
|
Sistema de OR + EDI |
Reatores de Produção de Meios de Cultura |
Sistema de OR + Ultrafiltração |
Sistema de HVAC |
|
Sistema de Pré-Tratamento |
|
|
|





















